KK60D與KK60的區別:
臺灣上銀KK60D線性模組是KK60的升級版。與KK60的區別,軸徑增大了2mm,其他尺寸不變,升級版KK60D直線模組更經久耐用,不易斷軸。
|
特點: 設計及安裝容易體積小重量輕 高精度 高剛性 配備齊全 最適化設計
|
應用:
FPD產業
|
單位 mm
|
型號 |
軌道長度 |
定位重現性 |
定位精度 |
行走平行度 |
最大扭矩(N-cm) |
||||
|
精密級 |
一般級 |
精密級 |
一般級 |
精密級 |
一般級 |
精密級 |
一般級 |
||
|
KK60D |
150/200/300/400 |
±0.003 |
±0.01 |
0.020 |
-- |
0.010 |
-- |
15 |
7 |
|
500/600 |
±0.003 |
±0.01 |
0.025 |
-- |
0.015 |
-- |
15 |
7 |
|
型號含義:
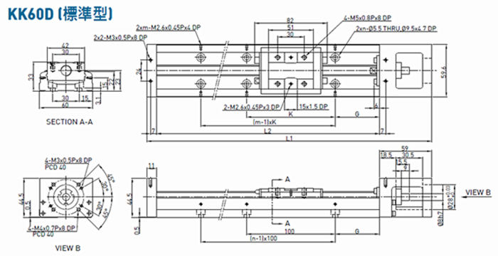
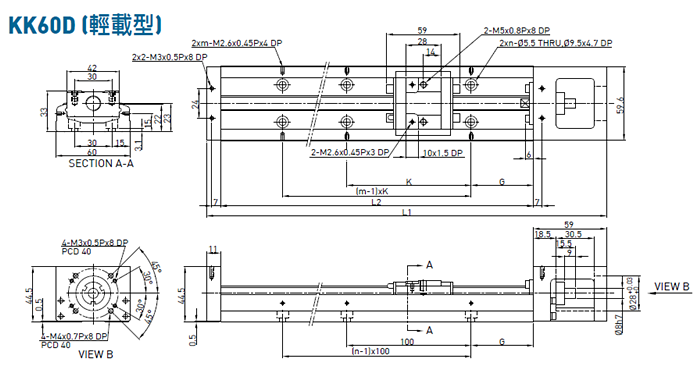
KK60D(加大頭)線性模組規格參數特點:

|
軌道長度L2 (mm) |
全長L1 (mm) |
最大行程(mm) |
G(mm) |
K(mm) |
n |
m |
重量(kg) |
||
|
A1滑座 |
A2滑座 |
A1滑座 |
A2滑座 |
||||||
|
150 |
220 |
60 |
--- |
25 |
100 |
2 |
2 |
1.5 |
--- |
|
200 |
270 |
110 |
--- |
50 |
100 |
2 |
2 |
1.8 |
--- |
|
300 |
370 |
210 |
135 |
50 |
200 |
3 |
2 |
2.4 |
2.7 |
|
400 |
470 |
310 |
235 |
50 |
100 |
4 |
4 |
3 |
3.3 |
|
500 |
570 |
410 |
335 |
50 |
200 |
5 |
3 |
3.6 |
3.9 |
|
600 |
670 |
510 |
435 |
50 |
100 |
6 |
6 |
4.2 |
4.6 |

|
軌道長度L2 (mm) |
全長L1 (mm) |
最大行程(mm) |
G(mm) |
K(mm) |
n |
m |
重量(kg) |
||
|
S1滑座 |
S2滑座 |
S1滑座 |
S2滑座 |
||||||
|
150 |
220 |
85 |
34 |
25 |
100 |
2 |
2 |
1.4 |
1.6 |
|
200 |
270 |
135 |
184 |
50 |
100 |
2 |
2 |
1.7 |
1.9 |
|
300 |
370 |
235 |
184 |
50 |
200 |
3 |
2 |
2.3 |
2.5 |
|
400 |
470 |
335 |
284 |
50 |
100 |
4 |
4 |
2.9 |
3.1 |
|
500 |
570 |
435 |
384 |
50 |
200 |
5 |
3 |
3.5 |
3.7 |
|
600 |
670 |
535 |
484 |
50 |
100 |
6 |
6 |
4.1 |
4.3 |